技术电话:17301986536加盟电话:13689528587

柱式传感器MK601
产品特点:MK601 柱式称重传感器具有精度高,安装简便,防潮性能好等特点。
产品用途:MK601 柱式称重传感器适用于电子皮带秤,包装秤等。
量程:MK601 : 1.5 kN(150kg)、10kN(1t)、20kN(2t)、30kN(3t)
技术参数及外形尺寸:
序号 | 产品技术参数 | |
1 | 额定载荷 | 1.5kN,10kN,20kN,30kN |
2 | 综合精度 | ≤0.05%F.S |
3 | 灵敏度 | 2.0mV/V |
4 | 零点输出 | ≤1%F.S |
5 | 输入阻抗 | 380±10Ω |
6 | 输出阻抗 | 350±3Ω |
7 | 绝缘阻抗 | ≥5000MΩ |
8 | 补偿温度范围 | -10~40℃ |
9 | 使用温度范围 | -20~60℃ |
10 | 安全过载 | 120%F.S |
11 | 材质 | 合金钢 |
12 | 激励电压 | 10V(DC) |
13 | 接线方式 | 红……E+(输入正) 黑……E-(输入负) 绿……S+(输出正) 白……S-(输出负) |
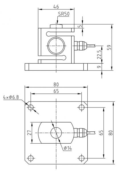
MK601结构图

密克传感器(深圳)有限公司是传感器源头生产厂家,致力于测力传感器的研发生产。产品达百余种,广泛应用于各种工业自动化、机器人、化工、食品、冶金以及医疗等新型和智能化高端领域。按结构分有轮辐式传感器,S型传感器,波纹管传感器,法兰盘传感器,柱式传感器,扭矩传感器,平行梁传感器,拉力传感器等等,按功能应用场景分有试验机专用传感器,搅拌站传感器,称重传感器,包装机传感器,压装机传感器,价格美丽,可定制。
密克斯生产的MK601 柱式称重传感器适用于电子皮带秤,包装秤等。
